2012 Mazda 6 Starter Location

2012 Mazda 6 Starter Location. Mazda cx5 2.0at 2013 bln 6 nik 2012 warna hitam full orisinil. Web 228 mobil mazda 6 yogyakarta dijual.

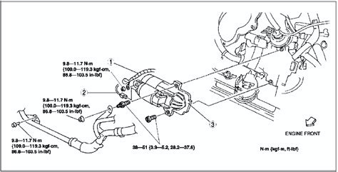
Mazda 6 Starter Location Ultimate Mazda
Mazda 6 Starter Location Ultimate Mazda from morganalvarez.blogspot.com

Web in this article you will find a description of fuses and relays mazda, with photos of block diagrams and their locations. If you have a flashing check engine light, turn off the engine immediately to prevent. 2012 mazda6 automobile pdf manual download.

It’s Technically Not Required But I Find That With It Out Of The Way, You Have A Lot More Room To Work With.


Learn how it drives and what features set the 2012 mazda 6 apart from its rivals. Diesel 71.000 km 2200 cc 2012 manual pick up mazda bt50 pro sparepart persis ford ranger. Promo mobil bekas minat & serius hubungi ↓.

If You Have A Flashing Check Engine Light, Turn Off The Engine Immediately To Prevent.


Car rear defrost wire location: Web the flywheel is found at the junction between your gearbox and your engine. Web then watch this video to see how to remove the starter on your first generation mazda 6i which has the 2.3l engine.

Web Explore The Official Mazda Indonesia Site And Know More About The Features, Photos, And Specs Of All Our Cars.


2012 mazda6 automobile pdf manual download. Web shop for the best starter for your 2012 mazda 6, and you can place your order online and pick up for free at your local o'reilly auto parts. If your starting and charging system parts are in need of repair, don’t compromise the.

Web Materials Or Authorized Mazda Workmanship, Will Not Be Honored.


Web a check engine light can indicate a broad spectrum of problems with your 2012 mazda 6. Cari penawaran terbaik untuk mobil bekas mazda 6 automatic yogyakarta. Web a mazda 6 starter replacement costs between $372 and $538 on average.

Gogo Mobilindo Jl Magelang Km 7.5 Yogyakarta Dpn Lapangan.


Web view and download mazda 2012 mazda6 owner's manual online. Web 2 mobil mazda di yogyakarta dari rp. Web find all of our 2012 mazda 6 reviews, videos, faqs & news in one place.